Drabina kablowa LG 110, 3 m VS FS

Nr kat. 6216416 | EAN 4012195065203

3000 mm
1,5 mm
brak
Stal
cynkowana metodą Sendzimira
Opis produktu
Opis produktu
Drabina kablowa z perforowanym bokiem o wysokości110 mm, z przynitowanymi szczeblami typu C, otwartymi.
Magnetyczna tłumienność sprzężeniowa bez pokrywy 10 dB, z pokrywą 15 dB.

Drabina kablowa jest dostarczana w wersji złożonej.

Odpowiednią obejmę kabłąkową typ BS-H... znajdą Państwo w zakładce Systemy drabin pionowych.

  • Magnetyczna tłumienność sprzężeniowa
  • Oświadczenie o zgodności z dyrektywami WE
  • Deklaracja zgodności UKCA
  • Drabinka kablowa, wysokość boku 110 mm
  • Deklaracja środowiskowa produktu (EPD)
  • Ślad węglowy (PCF)
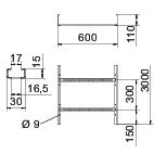
Dane techniczne

Wymiary

Długość 3000 mm
Grubość boku 1,5 mm
Kolor cyjan
Materiał Stal
Perforacja boczna tak
Podtrzymanie funkcji brak
Powierzchnia cynkowana metodą Sendzimira
Przekrój poprzeczny 568 cm²
Przekrój poprzeczny 56800 mm²
Rozstaw podpór 2,0 m 3,1 kN/m
Rozstaw podpór 2,5 m 2 kN/m
Rozstaw podpór 3,0 m 1,4 kN/m
Rozstaw podpór 3,5 m 0,9 kN/m
Rozstaw podpór 4,0 m 0,65 kN/m
Rozstaw podpór 4,5 m 0,55 kN/m
Rozstaw podpór 5,0 m 0,5 kN/m
Rozstaw podpór 6,0 m 0,15 kN/m
Rozstaw szczebli 300 mm
Ślad węglowy CO2 (GWP) od kołyski po bramę 11,3076 kg CO2e / 1 Metr
Stal nierdzewna, wytrawiana brak
Szerokość 600 mm
Wersja szczebli Profil perforowany
Wykonanie profilu bocznego płaski profil
Wykonanie szerokorozpiętościowe brak
Wymiar 110x600x3000
Wymiar 110x600x3000
Wymiar B 600 mm
Wymiar szczeliny szczebla 16,50
Wysokość 110 mm
Zamocowanie szczebla łączone nitami jednostronnie zamykanymi

Dane techniczne

Diagram obciążenia drabiny kablowej typ LG 110 VS

Diagram obciążenia drabiny kablowej typ LG 110 VS
  • Dopuszczalne obciążenie korytka/drabiny w kN/m bez ciężaru montera Dopuszczalne obciążenie korytka/drabiny w kN/m bez ciężaru montera
  • Odstęp pomiędzy podporami w m Odstęp pomiędzy podporami w m
  • Ugięcie trasy w mm przy dopuszczalnym obciążeniu kN/m Ugięcie trasy w mm przy dopuszczalnym obciążeniu kN/m
  • Rozkład obciążenia podczas badania Rozkład obciążenia podczas badania
  • Wykresy obciążeń dla różnych szerokości koryta kablowego / drabiny w mm Wykresy obciążeń dla różnych szerokości koryta kablowego / drabiny w mm
  • Wykres ugięcia trasy w zależności od rozstawu podpór Wykres ugięcia trasy w zależności od rozstawu podpór
Wszystkie typy

Wszystkie typy

Typ Długość Szerokość Grubość boku Podtrzymanie funkcji Materiał Powierzchnia Nr kat. Ilość Najmniejsza sprzedawana ilość
LG 112 VS 3 FS 3000 mm 200 mm 1,5 mm brak Stal cynkowana metodą Sendzimira 6216404
3 m
LG 113 VS 3 FS 3000 mm 300 mm 1,5 mm brak Stal cynkowana metodą Sendzimira 6216407
3 m
LG 114 VS 3 FS 3000 mm 400 mm 1,5 mm brak Stal cynkowana metodą Sendzimira 6216410
3 m
LG 115 VS 3 FS 3000 mm 500 mm 1,5 mm brak Stal cynkowana metodą Sendzimira 6216413
3 m
LG 116 VS 3 FS 3000 mm 600 mm 1,5 mm brak Stal cynkowana metodą Sendzimira 6216416
3 m
Dodatki

Akcesoria systemowe

Produkty Typ Nr kat. Ilość Najmniejsza sprzedawana ilość
Pokrywa z ryglem obrotowym FS Pokrywa z ryglem obrotowym FS DRL 600 FS 6052606
3 m
Längsverbinder LVG FS Längsverbinder LVG FS LVG 110 FS 6216545
10 Sztuka
Łącznik kątowy 110 FS Łącznik kątowy 110 FS LWVG 110 FS 6216587
10 Sztuka
Łącznik przegubowy 110 FS Łącznik przegubowy 110 FS LGVG 110 FS 6216650
10 Sztuka
Łącznik wielofunkcyjny FS Łącznik wielofunkcyjny FS LMFV 1160 FS 6225758
1 Sztuka
Łuk 90° 110 FS Łuk 90° 110 FS LB 90 1160 R3 FS 6225130
1 Sztuka
Trójnik 110 FS Trójnik 110 FS LT 1160 R3 FS 6225298
1 Sztuka
Dołączany trójnik rozgałęźny  110 FS Dołączany trójnik rozgałęźny 110 FS LAA 1160 R3 FS 6225918
1 Sztuka
Element łuku przegubowego 110 FS Element łuku przegubowego 110 FS LGBE 1160 FS 6225498
1 Sztuka
Nasadka ochronna Nasadka ochronna SKH 110 OR 6222553
20 Para
Zacisk przyłączeniowy FS Zacisk przyłączeniowy FS LAS 110 FS 6221416
10 Sztuka
Przegroda 85 FS Przegroda 85 FS TSG 85 FS 6062114
3 m
Płyta narożna FS Płyta narożna FS LEB 25 FS 6221203
1 Sztuka
Płyta narożna FS Płyta narożna FS LEB 50 FS 6221246
1 Sztuka
Do pobrania

Do pobrania

Do pobrania
Do pobrania

Do pobrania
Do pobrania

LG 116 VS 3 FS / 6216416
Do pobrania