Koryto nośne oświetlenia FS

Nr kat. 6055812 | EAN 4012196943937

75 mm
0,75 mm
Stal
cynkowana metodą Sendzimira
Opis produktu
Opis produktu
Koryto nośne oświetlenia z perforowanym dnem do zamocowania opraw i przeprowadzenia przewodów.
Tłumienie magnetyczne bez pokrywy 20 dB, z pokrywą 50 dB.

Wersja biała oznacza powłokę na powierzchniach widocznych.

  • Magnetyczna tłumienność sprzężeniowa
  • Oświadczenie o zgodności z dyrektywami WE
  • Koryto kablowe, wysokość boku 60mm
  • Deklaracja środowiskowa produktu (EPD)
  • Ślad węglowy (PCF)
Dane techniczne

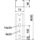
Wymiary

Długość 6000 mm
Grubość blachy 0,75 mm
Kolor cyjan
Materiał Stal
Perforacja boczna tak
Perforacja montażowa w dnie tak
Powierzchnia cynkowana metodą Sendzimira
Przekrój poprzeczny 42 cm²
Rodzaj złącza kablowego systemu nośnego przykręcane
Rozstaw podpór 1,5 m 0,8 kN/m
Rozstaw podpór 2,0 m 0,55 kN/m
Rozstaw podpór 2,5 m 0,35 kN/m
Rozstaw podpór 3,0 m 0,25 kN/m
Ślad węglowy CO2 (GWP) od kołyski po bramę 2,8026 kg CO2e / 1 Metr
Stal nierdzewna, wytrawiana brak
Szerokość 75 mm
Typ obciążenia wg IEC 61537 Typ II
Wersja połączenia bez łącznika
Wymiar 60x75x6000
Wysokość 60 mm

Dane techniczne

Wykres obciążenia kanału nośnego oświetlenia typ LTR

Wykres obciążenia kanału nośnego oświetlenia typ LTR
  • Dopuszczalne obciążenie korytka/drabiny w kN/m bez ciężaru montera Dopuszczalne obciążenie korytka/drabiny w kN/m bez ciężaru montera
  • Odstęp pomiędzy podporami w m Odstęp pomiędzy podporami w m
  • Ugięcie trasy w mm przy dopuszczalnym obciążeniu kN/m Ugięcie trasy w mm przy dopuszczalnym obciążeniu kN/m
  • Rozkład obciążenia podczas badania Rozkład obciążenia podczas badania
  • Wykresy obciążeń dla różnych szerokości koryta kablowego / drabiny w mm Wykresy obciążeń dla różnych szerokości koryta kablowego / drabiny w mm
  • Wykres ugięcia trasy w zależności od rozstawu podpór Wykres ugięcia trasy w zależności od rozstawu podpór
Wszystkie typy

Wszystkie typy

Typ Długość Szerokość Grubość blachy Materiał Powierzchnia Nr kat. Ilość Najmniejsza sprzedawana ilość
LTR 3000 FS 3000 mm 75 mm 0,75 mm Stal cynkowana metodą Sendzimira 6055810
3 m
LTR 6000 FS 6000 mm 75 mm 0,75 mm Stal cynkowana metodą Sendzimira 6055812
6 m
Dodatki

Akcesoria systemowe

Produkty Typ Nr kat. Ilość Najmniejsza sprzedawana ilość
Pokrywa z ryglem obrotowym FS Pokrywa z ryglem obrotowym FS DRL 075 FS 6052029
3 m
Komplet łączników wzdłużnych FS Komplet łączników wzdłużnych FS RV 607 FS 6068150
10 Sztuka
Uchwyt środkowy FS Uchwyt środkowy FS MAH LTR FS 6358810
25 Sztuka
Do pobrania

Karta danych technicznych LTR 6000 FS / 6055812 , 0.21MB , pdf
Do pobrania

Do pobrania
Do pobrania

Do pobrania

LTR 6000 FS / 6055812
Do pobrania