Obejma kabłąkowa, ze stopką typu N, podwójna, plastikowa wanienka dociskowa, FT

Nr kat. 1187209 | EAN 4012196852840

3 Nm
Opis produktu
Opis produktu
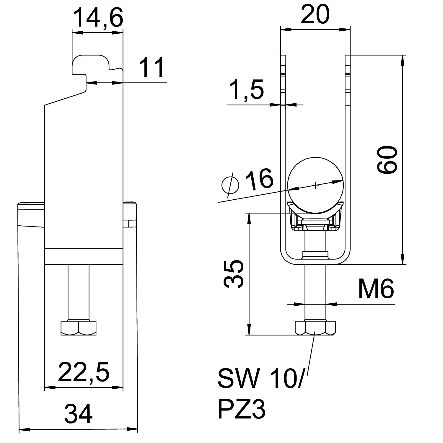
Obejma kabłąkowa, ze stopką typu N, plastikowa wanienka dociskowa wykonana z polipropylenu. Do pionowego i poziomego montażu 2 pojedynczych kabli na szynach o profilu C. Do szczeliny o szerokości 11 - 12 mm. Z gwintem jednoskokowym na wanience dociskowej, łeb sześciokątny uniwersalny SW10, z rowkiem i łbem krzyżakowym Nadaje się do montażu wewnątrz i na zewnątrz Paczki kabli powinny być oddzielone dodatkową wanienką dociskową Zalecamy użycie wanienki dociskowej
  • bezhalogenowy: bez chloru, fluoru i bromu
  • Oświadczenie o zgodności z dyrektywami WE
  • szerokość szczeliny 11-12 mm
  • Obejma BBS do szyny profilowej C z szerokością szczeliny 11-12 mm
  • Ślad węglowy (PCF)
Dane techniczne

Dane techniczne

Bezhalogenowy tak
do średnicy rury maks. 16 mm
do średnicy rury min. 12 mm
do szyny o szerokości szczeliny (z interwałem) maks. 12 mm
do szyny o szerokości szczeliny (z interwałem) min. 11 mm
Dodatkowa powierzchnia cynkowanie ogniowo
Dodatkowy materiał Stal
Długość 22,5 mm
Długość, wymiar zewnętrzny 34 mm
Grubość blachy 1,5 mm
Gwint M6
Ilość przewodów/rur 2
Jakość materiału wanny Polipropylen
Maks. moment dokręcania 3 Nm
Materiał Stal
Materiał wanny Tworzywo sztuczne
Powierzchnia cynkowana metodą zanurzeniową
Ślad węglowy CO2 (GWP) od kołyski po bramę 0,1189 kg CO2e / 1 Sztuka
Sposób montażu Szyna profilowa
Szerokość 20 mm
Wielkość szczeliny 10 mm
Wymiar 12-16mm
Wymiar A 22,5 mm
Wymiar B 20 mm
Wymiar C 34 mm
Wymiar G (mm) M6
Wymiar H 60 mm
Wymiar L 47 mm
Wymiar t 1,5 mm
Wysokość 60 mm
Z kontrwanienką brak
Zakres mocowania D maks. 16 mm
Zakres mocowania D min. 12 mm
Z korytkiem metalowym brak
Z korytkiem z tworzywa sztucznego tak
Wszystkie typy

Wszystkie typy

Typ Zakres mocowania D min. Zakres mocowania D maks. Maks. moment dokręcania Nr kat. Ilość Najmniejsza sprzedawana ilość
BS-N2-K-12 FT 8 mm 12 mm 3 Nm 1187203
50 Sztuka
BS-N2-K-16 FT 12 mm 16 mm 3 Nm 1187209
50 Sztuka
BS-N2-K-22 FT 16 mm 22 mm 3 Nm 1187215
50 Sztuka
BS-N2-K-28 FT 22 mm 28 mm 3 Nm 1187221
50 Sztuka
Do pobrania

Do pobrania

Do pobrania

BS-N2-K-16 FT / 1187209
Do pobrania