Ogranicznik kombinowany FLD do systemów dwurdzeniowych, 5 V

Nr kat. 5098600 | EAN 4012195578369

2
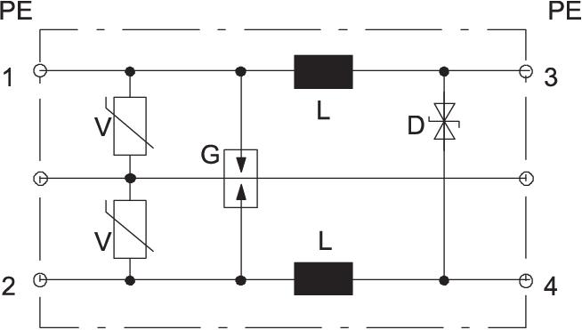
Zacisk
Opis produktu
Opis produktu
Ochrona przeciwprzepięciowa, do stosowania w technice pomiarowej, w technice sterowania i regulacji


• Ochona kombinowana

• Wykonanie standardowe do systemów dwużyłowych

• Dwustopniowy układ ochronny

• Prosty montaż, bezśrubowe zaciski przyłączeniowe

• Niewielka szerokość 17,5 mm

• Indukcyjności odsprzęgające w gałęzi wzdłużnej


Zastosowanie: uniwersalny aparat do montażu na szynie TH35 we wszystkich rodzajach obudów i rozdzielnic.
  • Underwriters Laboratories Inc., USA
  • 5 lat gwarancji
  • Oświadczenie o zgodności z dyrektywami WE
  • Przejście pomiędzy strefami LPZ 0 a 3
  • Instalacje pomiarowe, sterowania i regulacji
  • Ekspertyza instalacji elektrycznej
  • Ślad węglowy (PCF)
  • Opakowania bez tworzyw sztucznych
Dane techniczne

Dane techniczne

Badania według normy IEC 61643-21
Całkowity prąd impulsowy (10/350) D1: 3 kA
Całkowity prąd wyładowczy (8/20) 10 kA
Częstotliwość graniczna 0,18 MHz
Indukcyjność szeregowa na przewód 120 µH ± 20 %
Kategorie Typ 1+2+3 / D1+C2+C1
Liczba biegunów 2
LPZ 0→3
najwyższe napięcie ciągłe AC 5 V
najwyższe napięcie ciągłe DC 8 V
Napięciowy poziom ochrony przewód - przewód <15 V
Napięciowy poziom ochrony przewód - ziemia <600 V
Osłona połączeń brak
Pojemność (żyła-ziemia) <1 nF
Pojemność (żyła-żyła) <10 nF
Prąd impulsowy 1,5 kA
Przekrój przyłączanych przewodów giętkich min. 0,14 mm²
Przekrój przyłączanych przewodów giętkich min. 2,5 mm²
Przekrój przyłączanych przewodów sztywnych maks. 2,5 mm²
Przekrój przyłączanych przewodów sztywnych min. 0,14 mm²
Przekrój przyłączanych przewodów wielożyłowych maks. 2,5 mm²
Przekrój przyłączanych przewodów wielożyłowych min. 0,14 mm²
Rezystancja izolacji >1 MΩ
Ślad węglowy CO2 (GWP) od kołyski po bramę 0,2664 kg CO2e / 1 Sztuka
SPD zgodnie z IEC 61643-21 Klasa I+II+III / D1+C2+C1
Stopień ochrony IP 20
System wtykowy Zacisk
Szerokość w modulach TE (17,5 mm) 1
Tłumienność wtrąceniowa (insertion loss) 3 dB @ 180 kHz dB
Uziemienie przez: Zacisk
Wersja zabezpieczona przed wybuchem brak
Wymiar 5V AC
Wytrzymałość na prąd impulsowy żyła-ziemia C2: 10 kV / 5 kA (8/20µs)
Wytrzymałość na prąd impulsowy żyła-żyła C1: 1 kV / 0,5 kA (8/20µs)
Zakres temperatur maks. 80 °C
Zakres temperatur min. -40 °C
Zatwierdzenia UL
Zestyk sygnalizacji zdalnej brak
Znamionowy prąd obciążenia AC 0,7 A
Znamionowy prąd obciążenia DC 1 A
Znamionowy prąd wyładowczy (8/20 µs) 5 kA
Wszystkie typy

Wszystkie typy

Typ Liczba biegunów najwyższe napięcie ciągłe AC najwyższe napięcie ciągłe DC System wtykowy Nr kat. Ilość Najmniejsza sprzedawana ilość
FLD 5 2 5 V 8 V Zacisk 5098600
1 Sztuka
FLD 12 2 9 V 13 V Zacisk 5098603
1 Sztuka
FLD 24 2 19 V 28 V Zacisk 5098611
1 Sztuka
FLD 48 2 37 V 53 V Zacisk 5098630
1 Sztuka
FLD 110 2 86 V 122 V Zacisk 5098646
1 Sztuka
Do pobrania

Karta danych technicznych FLD 5 / 5098600 , 0.27MB , pdf
Do pobrania

Do pobrania

Deklaracja zgodności UE FLD 5 / 5098600 , 0.13MB , pdf
Do pobrania

Certyfikat (pozwolenie na używanie znaku) Certyfikat UL FRD, FLD , 0.09MB , pdf

Do pobrania
Do pobrania

FLD 5 / 5098600
Do pobrania