Ogranicznik przepięć, szeregowy, wersja 3-biegunowa 48 V

Nr kat. 5098446 | EAN 4012195406907

41 V
58 V
Zacisk
Opis produktu
Opis produktu
Bariera odgromowa z funkcją testu; Wersja 48V

• Znamionowy prąd obciążenia 0,58 A
• Urządzenie zabezpieczające dla systemów wielordzeniowych
• Bezpośrednie uziemienie ekranu i bezśrubowe zaciski przyłączeniowe
• Oszczędzająca miejsce szerokość tylko 8,7 mm
• Obwód ochronny można przetestować za pomocą Life Control
• zakres wysokich częstotliwości od 0-100 MHz
• Katalogowany UL (4DG1)

Zastosowanie: Uniwersalne zastosowanie na szynach montażowych 35 mm w każdej standardowej rozdzielnicy.
  • Underwriters Laboratories Inc., USA
  • 5 lat gwarancji
  • Oświadczenie o zgodności z dyrektywami WE
  • Instalacje pomiarowe, sterowania i regulacji
  • LifeControl
  • Przejście pomiędzy strefami LPZ 0 a 3
  • Ekspertyza instalacji elektrycznej
  • Ślad węglowy (PCF)
  • Opakowania bez tworzyw sztucznych
Dane techniczne

Dane techniczne

Badania według normy IEC 61643-21
Całkowity prąd impulsowy (10/350) D1: 1,5 kA
Całkowity prąd wyładowczy (8/20) 7,5 kA
Częstotliwość graniczna 100 MHz
Ekranowanie bezpośrednio
Kategorie Typ 1+2+3 / D1+C2+C1
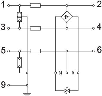
Liczba biegunów 3
LPZ 0→3
Monitorowanie SPD brak
najwyższe napięcie ciągłe AC 41 V
najwyższe napięcie ciągłe DC 58 V
Napięcie znamionowe 48 V
Napięciowy poziom ochronny @ C1 <110 V
Napięciowy poziom ochrony przewód - przewód <95 V
Napięciowy poziom ochrony przewód - ziemia <800 V
Osłona połączeń tak
Pojemność (żyła-żyła) < 40 pF
Przekrój przyłączanych przewodów giętkich min. 2,5 mm²
Przekrój przyłączanych przewodów giętkich min. 0,14 mm²
Przekrój przyłączanych przewodów sztywnych maks. 2,5 mm²
Przekrój przyłączanych przewodów sztywnych min. 0,14 mm²
Przekrój przyłączanych przewodów wielożyłowych maks. 1,5 mm²
Przekrój przyłączanych przewodów wielożyłowych min. 0,14 mm²
Rezystancja izolacji >100 MΩ
Rezystancja wzdłużna na linię 2,35 Ω ± 5 %
Ślad węglowy CO2 (GWP) od kołyski po bramę 0,2595 kg CO2e / 1 Sztuka
SPD zgodnie z IEC 61643-21 Klasa I+II+III / D1+C2+C1
Stopień ochrony IP 20
Sygnalizacja odczytywalny
System wtykowy Zacisk
Tłumienność wtrąceniowa (insertion loss) ≤3 dB
Uziemienie przez: Szyna kołpakowa
Wersja zabezpieczona przed wybuchem brak
Wymiar 48V
Wytrzymałość na prąd impulsowy żyła-ziemia C2: 5 kV / 2,5 kA (8/20µs)
Wytrzymałość na prąd impulsowy żyła-żyła C1: 0,5 kV / 0,25 kA (8/20µs)
Zakres temperatur maks. 80 °C
Zakres temperatur min. -40 °C
Zatwierdzenia UL
Zestyk sygnalizacji zdalnej brak
Znamionowy prąd obciążenia AC 0,4 A
Znamionowy prąd obciążenia DC 0,58 A
Wszystkie typy

Wszystkie typy

Typ Liczba biegunów najwyższe napięcie ciągłe AC najwyższe napięcie ciągłe DC System wtykowy Nr kat. Ilość Najmniejsza sprzedawana ilość
MDP-2 D-48-T 2 41 V 58 V Zacisk 5098442
1 Sztuka
MDP-3 D-48-T 3 41 V 58 V Zacisk 5098446
1 Sztuka
MDP-4 D-48-T 4 41 V 58 V Zacisk 5098450
1 Sztuka
Dodatki

Akcesoria systemowe

Produkty Typ Nr kat. Ilość Najmniejsza sprzedawana ilość
Listwa uziemiająca Listwa uziemiająca VB-MDP 10-MD 5098470
1 Sztuka
Do pobrania

Karta danych technicznych MDP-3 D-48-T / 5098446 , 0.30MB , pdf
Do pobrania

Do pobrania

Do pobrania

Do pobrania
Do pobrania

MDP-3 D-48-T / 5098446
Do pobrania