Wtykowe zabezpieczenie linii danych, 2x2-biegunowe, uziemienie pośrednie, 5 V

Nr kat. 5080365 | EAN 4012196742288

4
2x2-pin
Zacisk
Opis produktu
Opis produktu
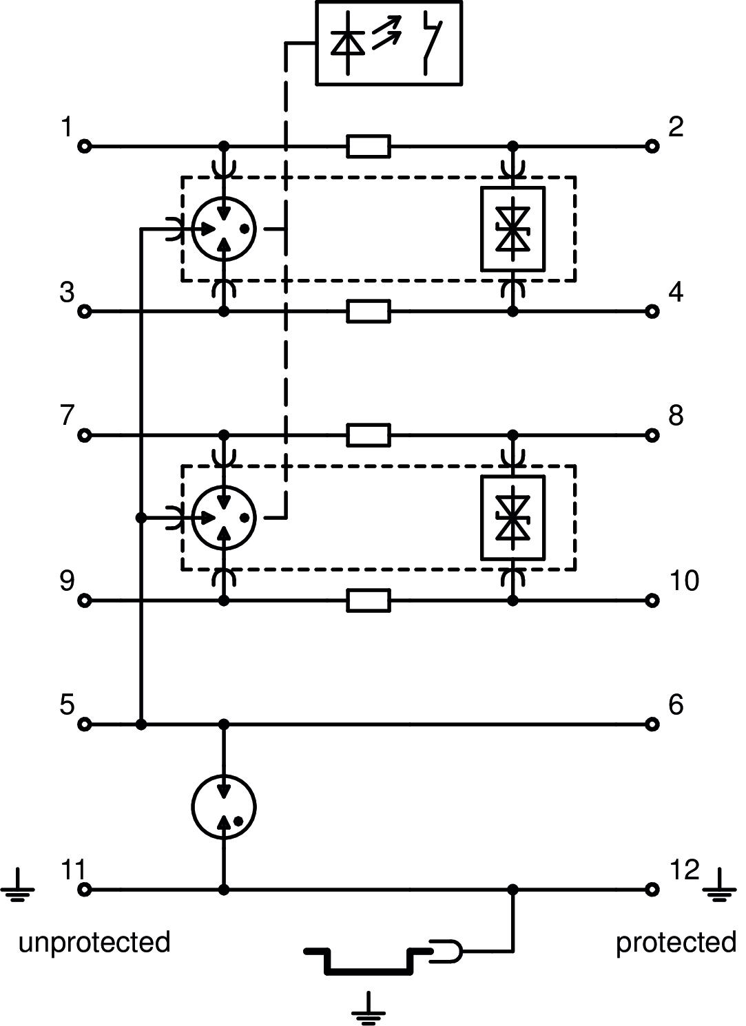
Wtykowe zabezpieczenie linii danych Typu 1+2/D1+C2 do stosowania w technologii pomiarowej, kontrolnej i regulacyjnej • Urządzenie zabezpieczające do systemów wielordzeniowych • Bezpośrednie uziemienie ekranu • Zakres częstotliwości do 100 MHz • Uziemienie możliwe za pomocą szyny lub przewodu połączeniowego • Mała szerokość całkowita 12,5 mm • Wysoka dostępność systemu – brak przerw w sygnale bez modułu ochronnego
Z sygnalizacją optyczną i możliwością zdalnej sygnalizacji poprzez zasilacz PDP-PS

Zastosowanie: Uniwersalna ochrona odgromowa i przepięciowa urządzeń transmisji danych w technologii AKPiA.
  • 5 lat gwarancji
  • Oświadczenie o zgodności z dyrektywami WE
  • Instalacje pomiarowe, sterowania i regulacji
  • Przejście pomiędzy strefami LPZ 0 a 2
  • Ekspertyza instalacji elektrycznej
  • Ślad węglowy (PCF)
Dane techniczne

Dane techniczne

Badania według normy IEC 61643-21
Całkowity prąd impulsowy (10/350) 2,5 kA
Całkowity prąd wyładowczy (8/20) 20 kA
Częstotliwość graniczna 100 MHz
Długość 75 mm
Ekranowanie pośrednio
Kategorie Typ 1+2 / D1+C2
Liczba biegunów 4
LPZ 0→2
Montaż wejścia / wyjścia Zaciski śrubowe
najwyższe napięcie ciągłe AC 4,2 V
najwyższe napięcie ciągłe DC 6 V
Napięciowy poziom ochrony ekran-ziemia (S-PE) 1300 V
Napięciowy poziom ochrony przewód - przewód 100 V
Napięciowy poziom ochrony przewód - ziemia 1600 V
Opór wzdłużny 1.2 ± 5%
Osłona połączeń tak
Pojemność (żyła-ziemia) ≤30 pF
Pojemność (żyła-żyła) ≤30 pF
Prąd impulsowy 2,5 kA
Przekrój przyłączanych przewodów giętkich min. 1,5 mm²
Przekrój przyłączanych przewodów giętkich min. 0,14 mm²
Przekrój przyłączanych przewodów sztywnych maks. 2,5 mm²
Przekrój przyłączanych przewodów sztywnych min. 0,14 mm²
Przekrój przyłączanych przewodów wielożyłowych maks. 2,5 mm²
Przekrój przyłączanych przewodów wielożyłowych min. 0,14 mm²
Rezystancja wzdłużna na linię 1,2 Ω ± 5%
Ślad węglowy CO2 (GWP) od kołyski po bramę 0,7889 kg CO2e / 1 Sztuka
SPD zgodnie z EN 61643-11 Typ 1+2
SPD zgodnie z IEC 61643-1 klasa I+II
SPD zgodnie z IEC 61643-21 Klasa I+II / D1+C2
Stopień ochrony IP 20
Sygnalizacja żadne
System wtykowy Zacisk
Szerokość 17,5 mm
Tłumienność wtrąceniowa (insertion loss) ≤3 dB
Uziemienie przez: Przewód przyłączeniowy/szyna kołpakowa
Wykonanie 2x2-pin
Wymiar 5V
Wysokość 95 mm
Wytrzymałość na prąd impulsowy żyła-ziemia 10 kV / 5 kA
Wytrzymałość na prąd impulsowy żyła-żyła 10 kV / 5 kA
Zakres temperatur maks. 80 °C
Zakres temperatur min. -40 °C
Znamionowy prąd obciążenia AC 0,425 A
Znamionowy prąd obciążenia DC 0,6 A
Znamionowy prąd wyładowczy (8/20 µs) 10 kA
Znamionowy prąd wyładowczy In przy C2 (łącznie) 20 kA
Wszystkie typy

Wszystkie typy

Typ Liczba biegunów Wykonanie najwyższe napięcie ciągłe AC najwyższe napięcie ciągłe DC System wtykowy Nr kat. Ilość Najmniejsza sprzedawana ilość
PDP-2x2-5-I-OS 4 2x2-pin 4,2 V 6 V Zacisk 5080365
1 Sztuka
PDP-2x2-12-I-OS 4 2x2-pin 12 V 16 V Zacisk 5080367
1 Sztuka
PDP-2x2-24-I-OS 4 2x2-pin 21 V 30 V Zacisk 5080369
1 Sztuka
PDP-2x2-48-I-OS 4 2x2-pin 37 V 52 V Zacisk 5080371
1 Sztuka
Do pobrania

Do pobrania

Do pobrania

Do pobrania

Do pobrania
Do pobrania

PDP-2x2-5-I-OS / 5080365
Do pobrania